среда, 13 февраля 2013 г.

не работает один вентилятор на ваз 21214

Модернизированная схема...

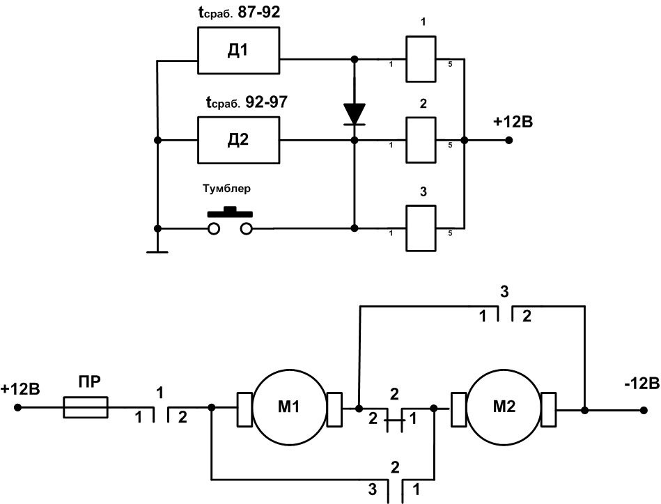
Штатная схема подключения электровентиляторов в а/м ВАЗ-21214

На а/м ВАЗ-21214 (НИВА) устанавливается сдвоенный электровентилятор охлаждения. Двигатели вентиляторов ваз 2131 имеют раздельное друг от друга подключение, но в автомобильной схеме предусмотрено только их совместная работа. Мне кажется жалко упускать такую возможноть использовать этот факт... Ниже приведена принципиальная схема того, как можно установить клавишу для принудительного включения одного или двух вентиляторов не зависимо от штатной системы. Алгоритм действий такой: 0 (нулевое положение переключателя) - принудительное охлаждение выключено. Вентиляторы включатся только по сигналу датчика. 1 (первое положение переключателя) - постоянно работает только один из вентиляторов нива 2121. Однако если все же сработает штатный датчик включения вентилятора - включится и второй вентилятор. 2 (второе положение переключателя) - работают оба вентилятора, аналогично обычному срабатыванию датчика. Эта функция будет особенно полезна если Вы частенько попадаете в пробки. Или просто мотор работает в температурном режиме близком к включению вентиляторов, что вызывает постоянное их включение и отключение. Данная переделка не влияет на штатную работу включения вентиляторов обдува радиатора ваз 2121.

Раздельное включение сдвоенного вентилятора системы охлаждения Нива 2121, Ваз 2131, Лада 4х4

Тюнинг двигателя нива 2121, доработка системы впуска на двигатель ваз своими руками ваз 2131, чип тюнинг двигателя нива 2131. Модернизация диффузоров нива 2131, ваз 2121.

НИВА / 2121, 2131 / тюнинг / двигателя / Раздельное включение сдвоенного вентилятора

Раздельное включение сдвоенного вентилятора системы охлаждения Нива 2121, Ваз 2131

Комментариев нет:

Отправить комментарий